Batterie Laderegler 12v Schaltplan
Auf Grund von Notwendigkeit musste ein Bleigelakku-Ladegerät her und da sich ein PB137 in der Bastelkiste fand war auch schon die Schaltung so gut wie geklärt. Die Batterie wird mit idR.

Anschluss Der Solaranlage An Batterie Teich Filter
Bis jetzt ist die Solarzelle einfach fix mit den Akkuklemmen verbunden wenn Sonne scheint dann wird geladen wenn keine Sonne scheint verhindert eine eingebaute Diode im Solarmodul dass sich der Akku über die Solarzelle entläd.

Batterie laderegler 12v schaltplan. Die Kapazität gibt die maximale Ladungsmenge an die gespeichert werden kann. Damit die Batterie mit den richtigen Einstellungen geladen wird musst Du das noch im SmartSolar eintragen. Ich selbst habe 180A Batteriekapazität in meinem Camper verbaut.
Mit dieser Kombination aus 12V Laderegler durch das CTEK und mit dem Ective CSI hat man eine vollständige Bordstrom-Anlage für alle Anwendungsfälle mobilautark und für CampingplatzLandstom und alle Lademöglichkeiten Lichtmaschine Solar Landstrom. 12m Cu-Draht 15mm2 Dm 1382mm hat einen Widerstand von 0013793 Ohm. 16mm² Querschnitt und dazu passende Kabelschuhe 2x Sicherung ca.
Wir erklären den Unterschied zwischen Diodenverteilern und modernen Ladestromverteilern und Verkabeln das Zündschloss und den Anlasser für die Maschine. 12V 40A DC zum Batterie ladegerät mit Mppt Solar laderegler Schaltplan 30A Combertor De Energia Sistem A 220V 40Smp Sofort lieferbar 4000 -16200 Stück. Dann lädst Du die App runter einfach nach Smartsolar im AppStore PlayStore suchen.
So kann ich maximal 18A als Laderegler verbauen. Mit rund 10 ihrer eigenen Kapazität über den Laderegler geladen. 3 Phase VE Bus BMS system 4 pin with 3xQuattro and 4x200Ah 24V Li.
Du verbindest Dich via Bluetooth mit dem Laderegler PIN idR. Ok aber das müsste ich dann auf 138V einstellen oder. Ad Dont Run Out of Batteries - Hurry Stock Up on the Batteries You Need.
Mit dieser kleineren Batterie könnte man ja kleinere Verbraucher wie den DSL-Router speisen. 12V Bleigelakku-Ladegerät mit Strombegrenzung. Hoffe das hilft dir und wünsche ebenfalls noch einen schönen Rest.
Der gerade benutzte Laderegler SR-100 wurde zu diesem Zweck analysiert. Nach ein paar Firmware-Updates kommst Du endlich ins Menü. Nach diesem Beispiel in dem zwei 12V 200Ah Batterien parallel geschaltet sind haben wir daher eine Ausgangsspannung von 12V Volt und eine Gesamtkapazität von 400Ah Amperestunde.
Je größer die Kapazität desto mehr Ladung kann gespeichert werden. 16kVA 12V MultiPlus 230 Volt system example 4 PIN VE-Bus BMS-Lithium Orion-Tr. Der vollständige Schaltplan ist in Bild 6 zu finden und nach den bisherigen Erläuterungen weitgehend selbst erklärend.
Backed up by an 11 Year Warranty. Der PB137 ist ein Spannungsregler mit fixer Ausgangsspannung von. Elektrischer Anschluss von Solarmodul Laderegler und Batterie auf dem Boot.
Wechselrichter 12VDC230VAC Wandler 93 Wirkungsgrad 09A 108 Watt Leerlaufleistung Wechselrichter mit 12m Cu-Draht 15mm2 als Vorwiderstand 1379mOhm. Name Brands at Lowest Prices Guaranteed. Dann würde es ja relativ lange dauern bis die Akkus voll sind weil das Ladegerät zwar Strom liefert der Akku diesen aber nicht annimmt.
Auch hier können wir wieder eine Faustformel anwenden. Dieser Teil unserer Serie zum Thema Bordelektrik widmet sich dem Anschluss von Ladegerät und Lichtmaschine. 12kVA 12V MultiPlus 230 Volt system example with Argo Fet and MPPT.
Eine 90A Varta Batterie kann also über den Laderegler rund 9A aufnehmen. 127-129V aufweisen je nach Typ. Hallo allerseits es geht um Folgendes.
Video von der BOOT 2018 in Düsseldorf. Huge Selection of Batteries Chargers. Das sollte dann etwa einem Ladezustand von 50 entsprechen wieder abhängig vom Batterietyp.
Laderegler 12V 40A selbst bauen. Ein Freud möchte mittels eines 50W Solarpanels soll ein 12V 80Ah Bleiakku Auto laden. Außerdem schließen wir sicherheitsrelevante Verbraucher an.
Steca Elektronik Solarladeregler 66F 1224V 6A LED-Anzeige. Solar-Laderegler Steca PR 1515 und Solar Akku 41Ah. Mit dem Laderegler Steca Solsum 66F und seiner elektronisch komplett geschützten Leiterplatte sind Sie immer auf der Sonnenseite.
Das 420 LCD-Display wird im 4-Bit-Modus an Port B betrieben. Die Top-Kombination mit einem entsprechenden Solarpanel und einem Ladestrom von maximal 6 A. Trennrelais Versorgungsbatterie 12V AGM oder Gel Batterie dicke Stromkabel schwarz und rot mit mind.
Das heisst es wurde anhand der Leiterbahnen der Platine die Schaltung zu Papier bzw. Wir haben uns bei Kais Bus für einen Ective CSI52 CSI5 entschieden. Unter 12V darf die Batterie nie haben und ich persönlich würde sie spätestens bei 124V wieder laden.
Ad Shop Great Deals On Batteries Light Bulbs Chargers Device Repair Services. - 1 - SOLARLEUCHTE mit AKKU Brettschaltung WINKLER - Nr. 101862 Diese Solar-Nachtleuchte enthält eine hochwertige Solarzelle 2 V 120 mA die bei Tag den beilie-genden Akku 12 V auflädt der dann bei Nacht eine helle weiße LED mit Strom versorgt.
Folgendes Material und Werkzeug wird benötigt. Drop in lithium replacement for lead acid SLA batteries. 2X the power half the weight.
12kVA 12V MultiPlus 230 Volt system example with Argo Fet and MPPT. Ad 12V 24V 36V Lithium Iron Phosphate LiFePO4 batteries. Ich habe mich für ein LCD-Panel entschieden dass auch ohne Hintergrundbeleuchtung ablesbar ist um den Strombedarf gering zu halten.
Mit einem Schaltplan-Programm zu PC gebracht. Dann sollte eine volle Batterie ca. 60-100 A sowie einen guten Zurrgurt Auf der folgenden Seite findest Du empfehlenswerte Trennrelais Einbau Sets.

Download 32 Schaltplan Des Automatischen 12 V Batterieladegeraets

Download 32 Schaltplan Des Automatischen 12 V Batterieladegeraets

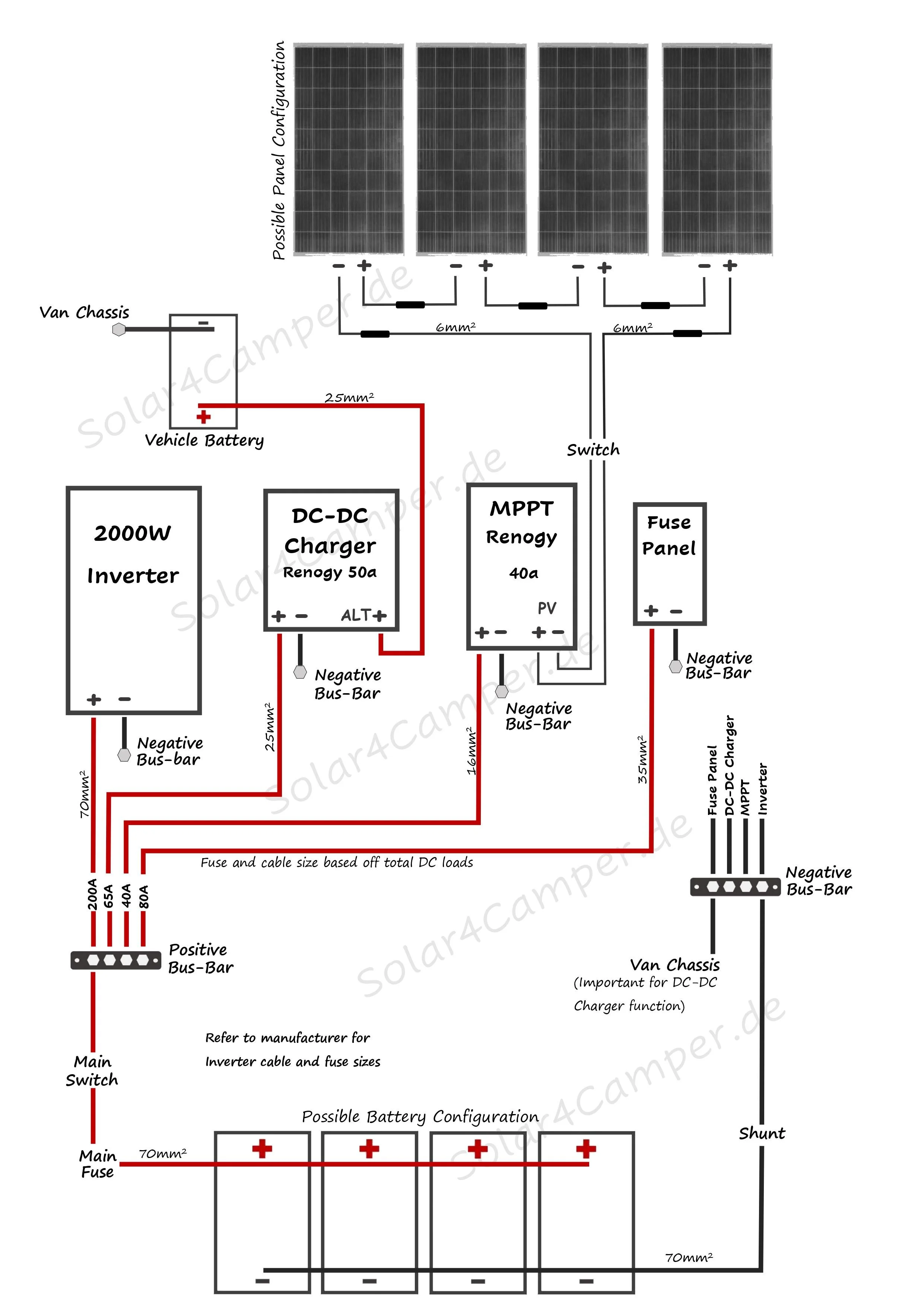
Need Help Installing Solar On Your Camper Solar 4 Camper

Tiefentladeschutz Fur Blei Akkus Selbst Gebaut Youtube

230v Ac Umschaltstation Netzvorrang Oder Usv Us230 12 12a 2700w

Download 32 Schaltplan Des Automatischen 12 V Batterieladegeraets

Ladegerat Und Lichtmaschine Anschliessen Und Verkabeln An Bord

Elektrischer Anschluss Solarmodul Und Laderegler An Die Batterie Auf Dem Boot Youtube

Schaltplan Fur Kleinen Solarladeregler Schule Technik Elektronik

Mpp430 Duo Mppt Solarladeregler 12v 26a Fur Wohnmobile

Laderegler Selbstbau Mikrocontroller Net

Schaltplan Diy Powerstation Mit Dem Ctek D250se Schaltplan Hier Als Pdf Herunterladen In 2021 Lichtmaschine Laderegler Auto Batterie

Votronic 1715 Mpp 250 Duo Digital 15a 12v Mppt Solar Laderegler Fur Zwei Batterien Solarladeregler Elektronik Offgridtec Shop




