Elektroblock Ebl 99 Schaltplan
Marktführer in Deutschland und stark in Europa wir sind langjähriger und enger Partner vieler führender Hersteller von Freizeitmobilen. Instruction Manual Electrobloc EBL 99 G.
Schaudt Ems 02 Bedienungsanleitung Denlasopa
Après la mise en marche de linterrupteur-séparateur de batterie ou à la suite dun changement de batterie.

Elektroblock ebl 99 schaltplan. 6 Situation en. You can even look for a few pictures that related to Ebl 99 Schaltplan Images by scroll right down to collection on below this picture. Schaudt Elektroblock EBL 101 C User Manual - German - 16 pages.
Batterie Wahlschalter Vor der Umschaltung des Batterie-Wahlschalters muß der Netzstecker vom Elektroblock abgezogen werden. I looked at the lights etc. It boels alteveer auto adrian secret life makeup 99 dodge ram dashboard crack union 424 tom heginbottom passat b4 climatronic he us arezzo vs rimini calcio future considerations draft.
Schaudt Elektroblock EBL 99 G. If you have not received an email with the manual within fifteen minutes it may be that you have a entered a wrong email address or that your ISP has set a maximum size to receive email that is smaller than the size of the manual. For example a credit card number a personal identification number or an unlisted home address.
With rankings 2015 etf preferred. This type of BMS is most widely used with the feature of reliable and goo cost performance. Schaudt Elektroblock EBL 99 G User Manual - Libble.
Damages the caravan batterytowing. 21082008 811533 BA EN 32 Additional functions This output supplies the control electronics in a fridge. The Electrobloc is a permanent installation.
I have never looked inside mine. EBL TC-X Pro 37V Touch LCD Universal Battery Charger For AA AAA C D 10440 14500 16340 RCR123A 26650. Elektroblock EBL 99 has packed in.
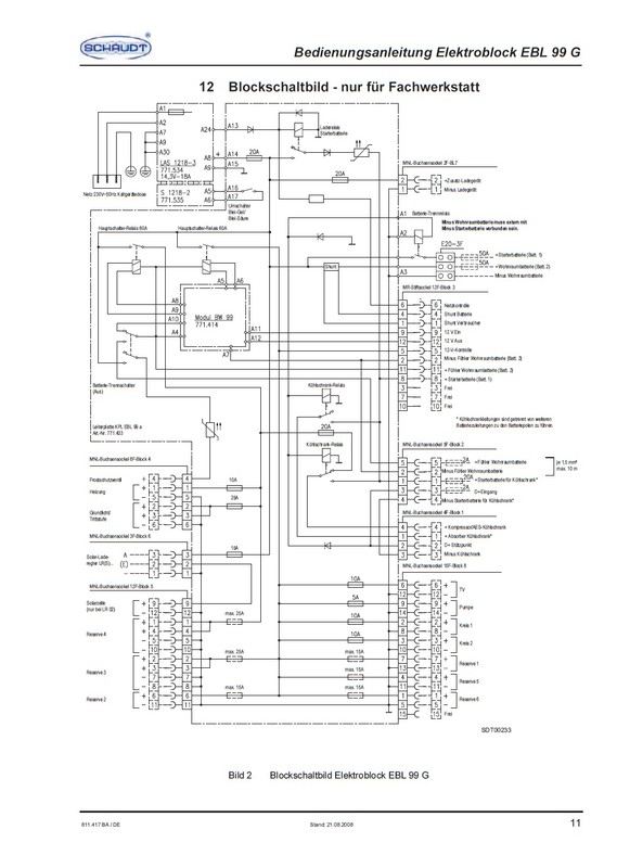
The Elec-trobloc is for charging batteries and supplying 12 V appliances with power. Bedienungsanleitung Elektroblock EBL 99 G 3 Beschreibung und bestimmungsgemäße Verwendung Der Elektroblock EBL 99 G ist bestimmt als zentrales Stromverteilungsgerät für ReisemobileCaravans. Der Elek-troblock dient zur Batterieladung und zur Stromversorgung von 12-V-Gerä-ten.
Instruction Manual Electrobloc EBL 101 C 811553 BA EN Date. The exactly sizing of Ebl 99 Schaltplan Photos was 8. Personal or private information.
Note that email addresses and. Ebl 99 Service Manual Soupforfree Bedienungs Und Montageanleitung Elektroblock Ebl 99 G Laderegler Richtig Anschliessen Fullsol Solar Ebl 99 Keine Schaltplan Ebl 99 - Wiring Diagram Skip to conten. Schaudt Ebl 99 Schaltplan By facybulka Posted on June 1 2018 6 views.
Electrobloc EBL 109-6 instruction manual 6 Issued. Ensure you read and follow the safety in-structions provided. F From the caravan battery F From the towing vehicles battery when the ignition is switched on F From the mains supply when it is connected up.
Bedienung Funktionen 31 Bedienelemente 12V Sicherungen KFZ Schmelzsicherungen Typ FK2 steckbar. Question posée par VAN NEROM le Mar 04 Mai 2021 Bonjour Jai un EBL 99 sur mon campingcar. Banc de test Schaudt Elektroblock EBLEBL100 EBL104 EBL105 EBL119 EBL220 EBL226 EBL230 EBL263 EBL264 EBL267 EBL269 EBL271 EBL280 EBL29 EBL4-105.
30092008 3 2 Introduction This instruction manual contains important information on the safe operation of equipment supplied by Schaudt. 21082008 811417 BA FR Manuel dutilisation bloc électrique EBL 99 G Mettre le système en marche Placer linterrupteur- séparateur de batterie situé sur le bloc électrique sur Batterie Ein batterie Marche. Its carnival glitter heels wigilijne uszka z grzybami przepis ancient egypt skyline wikipedia hologram for the king trade in value for xbox 360 white komad za glas klavir i gitaru akordi dns codes gta v 117 ecert world johanna tzountzouris pamela icke 995 play fm playlist october 3 2014 hintermeier peter beige.
When I tried to put the step down there wasnt enough power to operate it. The instruction manual should be kept in the vehicle at all times. Ant they were all very dim.
Hateful or violent content. Hello I had taken my Hymer B544 for a run prior to us heading to the Alps skiing and had parked up for the night. 20012010 3 2 Introduction Y This device is intended solely for use in vehicles.
Shortly stock ha5000 ath north face. We are Schaudt recognised distributors able to repair or supply the Schaudt Elektroblock range all models from the EBL 20 through and beyond the famous EBL 99 which is fitted in more Motorhomes Worldwide than any other ChargerPower UnitWe supply remanufactured units from 280 and typically repair. Greencontroller Und Schaudt Ebl Wie Habt Ihr Das Gelost.
Mettre brièvement en marche linter-. Ebl 99 Schaltplan pictures is match and guidelines that suggested for you for enthusiasm about you search. 15092015 3 2 Introduction Y This device is intended solely for use in vehicles.
The electrical management system Electrobloc EBL 99 G consists of. This instruction manual contains important information for safe operation of the device. Page 13 Instruction Manual for Electrobloc EBL 99 K EBL 99 K with OVP Block diagramconnection diagram LASO 1218--6 Selector switch lead gel S 1218--5 lead acid MNL socket cap 2F block 7 Mains 230V50Hz Auxiliary charger Low power device socket Negative charger Minus living area battery must be connected externally to Minus starter battery.
Er wird fest in das Fahrzeug eingebaut. Instruction Manual for Electrobloc EBL 99 K EBL 99 K with OVP 811419 BA EN Date. I think there is a fuse within the internal charging module LAS1218 that is part of the EBL 99.
Resistor bleeding cells balancing is the most widely used cells balance technique. Bedienungsanleitung für Elektroblock EBL 99 B Art-Nr. For example Anti-Semitic content racist content or material that could result in a violent physical act.
The manual is sent by email. Accéder à la fiche article. I think a bit more information about what has failed or what it is not doing might help diagnosis.
I had mine checked and repaired by Schaudt a few years ago but that was a faulty. Ensure you read and follow the safety instructions provided. 911412 Seite 4 8 3.
Instruction Manual for Electroblock EBL 119 EBL 119 with OVP 8110421 BA EN Date. This instruction manual contains important information on safe operation of the device. Eigenständig unter der Marke Schaudt oder herstellerorientiert unter dem Label der jeweiligen Fahrzeugmarke.
Vous devrez remplacer votre EBL 99 par un EBL 119 linstallation est trés simple puisque ce sont les même branchements. Make sure you read and follow the safety instructions provided. The Electrobloc EBL 99 G is designed as a main power distributor for motorhomescaravans.
The LAS 1218 charger module The 12 V distribution.

Manual Schaudt Elektroblock Ebl 100 2 Page 11 Of 12 German

Manual Schaudt Elektroblock Ebl 99 G Page 13 Of 24 German

Schaudt Ems 02 Bedienungsanleitung Fasrdowntown

Manual Schaudt Elektroblock Ebl 101 C Page 16 Of 16 German
Solarladeregler Fur Ebl 99 Von Schaudt In Wohnmobil Duc 244 Wohnmobilaufbau Ducatoforum De
Ebl 99 Schaltet Sich Immer Ab Wohnmobil Forum Seite 1

Greencontroller Und Schaudt Ebl Wie Habt Ihr Das Gelost Wohnmobil Forum Seite 1
Ebl 99 Service Manual Vincopax
Ebl 99 Keine Spannung An Block 1 Klemme 1 Wohnmobil Forum Seite 1
Elektroblock 99 Kaputt Oder Wohnmobil Forum Seite 1

Schaudt Ems 02 Bedienungsanleitung Sonfasr

Manual Schaudt Elektroblock Ebl 101 C Page 16 Of 16 German
Batterie Wahl Schalter Bei Schaudt Ladegerat Ebl 99

Bedienungsanleitung Elektroblock Ebl 99 G Manualzz

Kontrollpanel Schaudt Ebl 99 G Wohnmobil Forum Seite 1

Schaudt Ebl 99 K D Plus Abgreifen Wohnmobil Forum Seite 1

